• Schnelle Lieferung
  • Gratis Versand ab €75,-
  • GroĂźes Sortiment, ĂĽber 5000 Teile

Honda C310s

Honda C310s

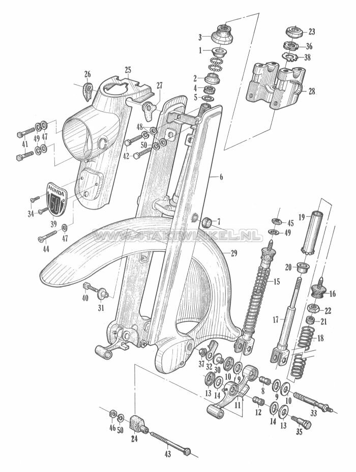
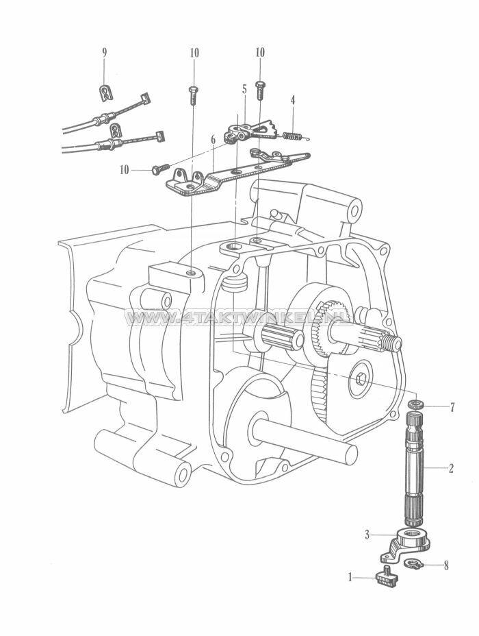
Hier können Sie einfach über die Zeichnungen des niederländischen Honda C310S nach Teilen suchen.

Das erste 1963 ausgelieferte Honda-Moped in den Niederlanden! Speziell für den niederländischen Markt hergestellt (in Belgien) mit Pedalen. Diese Teileliste ist für die S-Version, die 1967 auf den Markt kam, mit schräg über dem Kolben stehenden Ventilen und einem anderen Vergaser. 

Klicken Sie auf die Zeichnung, um die Liste der zugehörigen Teile zu sehen.
 

Honda C310a

Das erste Honda-Moped auf dem niederländischen Markt, eingeführt als Honda C310a im Jahr 1963. Es wurde speziell für den europäischen Markt entwickelt und in Belgien produziert. Dieses Modell sorgte bei Fahrradmechanikern für Verwirrung, da der Viertaktmotor völlig anders war als die üblichen Zweitakt-Mopeds. Mit einem halbautomatischen Dreiganggetriebe und einer sehr sparsamen Kraftstoffnutzung war es besonders bei Postboten beliebt, die es in großen Stückzahlen kauften. Bei jungen Fahrern hingegen war es weniger populär, da Zweitaktmotoren weiterhin bevorzugt wurden.

Honda C310s

Im Jahr 1967 folgte der Nachfolger des C310a: der C310s. Eine externe Ölleitung und schräg zum Kolben stehende Ventile, kombiniert mit einem anderen Vergaser, sorgten für mehr Leistung. Der Zündmechanismus konnte einfach eingestellt werden, wodurch Geschwindigkeiten von bis zu 60 km/h erreicht werden konnten.

Viele Teile des C310 sind mittlerweile selten. Teile wie das Beinschild, das Rücklicht, die Tankembleme und der Auspuff sind schwer zu finden. Motorenteile sind noch erhältlich, aber leider sind diese Stoßstangenmotoren nicht mit modernen SS50- oder C50-Motoren austauschbar.

Wir verwenden Cookies, um Ihr Surferlebnis zu verbessern und unseren Website-Traffic zu analysieren. Durch Klicken auf „Akzeptieren“ stimmen Sie der Verwendung unserer Cookies zu.