• Schnelle Lieferung
  • Gratis Versand ab €75,-
  • GroĂźes Sortiment, ĂĽber 5000 Teile

Honda Dax ST50g

Honda Dax ST50g

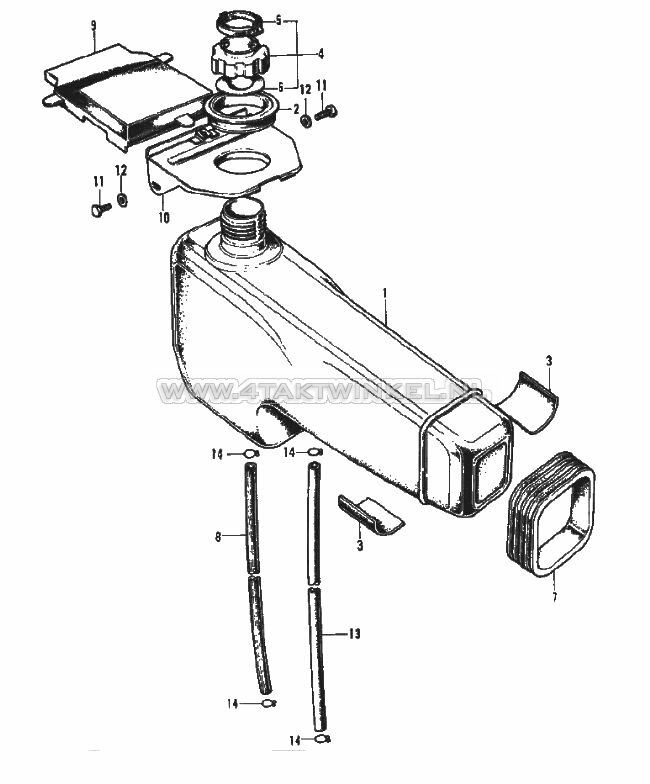
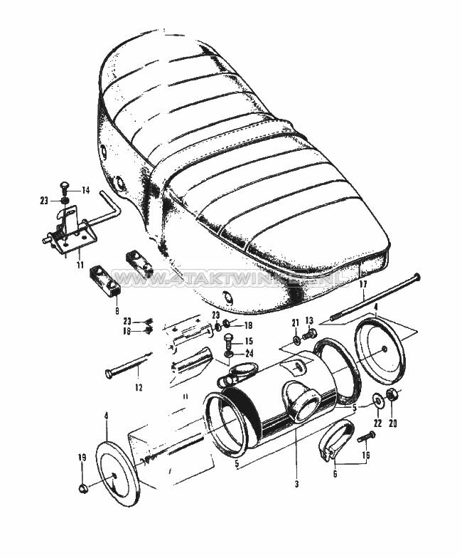
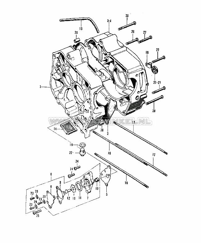
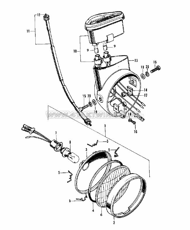
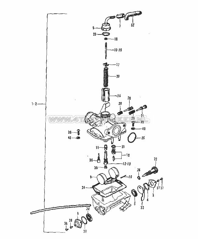
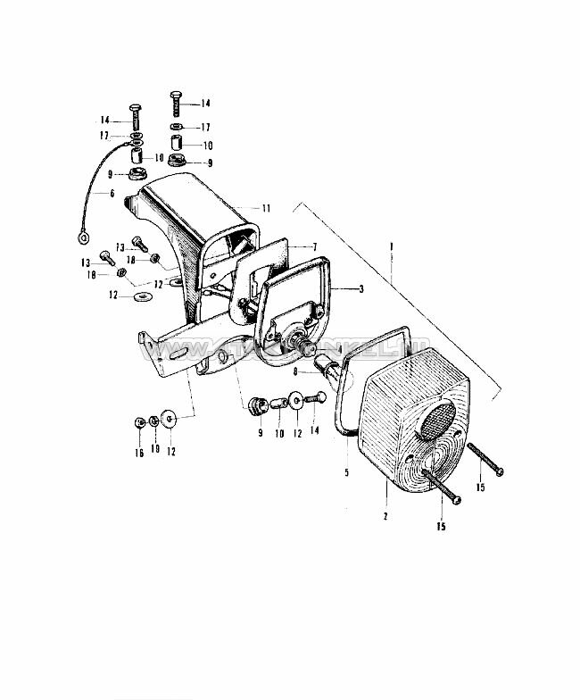
Hier können Sie einfach anhand der Zeichnungen der Honda ST50g "Dax" nach Teilen suchen.

Ursprünglich neben dem Monkey als Prototyp vermarktet. Ein 49ccm 4-Takt-Motor mit halbautomatischer Kupplung und 10-Zoll-Rädern. Die ST50G ist ein Original für den deutschen Markt und wurde in den Niederlanden nie als Moped geliefert. 

Klicken Sie auf die Zeichnung, um die Liste der zugehörigen Teile zu sehen.

Honda Dax

Die Honda Dax ist ein kleines Moped/Motorrad, das von Honda hergestellt wird.
Sie wird ursprünglich als 50er, 70er und 90er geliefert. Es gibt viele verschiedene Hersteller, die dieses Moped als Nachbau mit 50ccm, aber auch mit 125ccm produzieren.
Der Name "Dax" kommt von dem Hund, der auf einer japanischen Dax abgebildet ist. Der abgebildete Hund ist ein Dackel (Teckel). 
Als Honda mit der Honda Monkey herauskam kam, war diese für 1 Person gedacht. Neben der Monkey wollte Honda ein Moped anbieten, das klein und kompakt war, aber auch 2 Personen befördern konnte.
Ende 1967 begann die Entwicklung der Dax und 1968 wurde der erste Prototyp vorgestellt. Die erste dax hatte einen hohen Auspuff, eine Vordergabel mit großen Lenkkopfwinkel und die Schwinge war aus Motorlagern des Honda Kleinwagen N360 gefertigt.
1969 kam die Dax erstmals auf den Markt. Diese Produktversion hatte einen größeren Scheinwerfer, einen anderen Auspuff und eine normale Schwinge. 
Auch die Vordergabel dieser Version war abnehmbar, so dass sie schnell auf dem Rücksitz eines Autos transportiert werden konnte.
 

ST50Z & ST70Z

klassischer Typ:
  • Abnehmbare Vordergabel
  • Niedriger Auspuff
  • Silberne Kotflügel
 

ST50EZ & ST70EZ

Sportlicher Typ:
  • Verchromte Kotflügel
  • Hoher Auspuff 
 

CT70 K0

  • Amerikanisch
  • Schutzplatte
  • Hohes Schutzblech
  • Kein Blinker und abnehmbare Vordergabel
  • 3-Gang Halb-automatisch
  • 3 Farben: candyrot, candyblau, candygold.

CT70h

  • 3 Farben: candyorange, candygrün und candyblau-grün
  • 4-gang
  • manuelle Kupplungl

ST50K1 & ST70k1 (Europa)

 

ST50G & ST70G (Deutschland)

  • Hoher Auspuff
  • Klassische Kotflügel
  • Blinkleuchten unterschiedliche Position
  • Gepäckträger optional

Die Dax wurde in den Niederlanden wegen des Fehlens des weißen Kotflügels und der Pedale nie als Moped, sondern nur vereinzelt als Motorrad ausgeliefert.
 

ST50 & ST70 (lady dax/white dax)

  • Sonderausgabe Original von Honda
  • Weiße Farbe mit speziellen Aufklebern
  • Satteldecke mit blumenprint

ST50 & ST70 K2 (1972)

  • 45km/h mittels Schwungrad, kleinem Vergaser, kleinem Einlass und Nockenwelle mit geringerem Hub.
 

St50 & ST70 K3 (1978)

Neue Farben:
  • candyrot mit weißen, blauen oder schwarzen Aufklebern
  • candyblau mit gelben, weißen oder schwarzen Aufklebern
  • Grün mit gelben, weißen oder schwarzen Aufklebern
  • Orange mit gelben, weißen oder schwarzen Aufklebern

England bekam eine Extra-Variante in candyrauchbraun
Die letzten Dax wurden um 1980 in Europa ausgeliefert. Danach kam die CY als Nachfolger.
 

CT70 K1 & HK1

In Amerika wurde der Typ CT70 K0 1972 durch die K1 und die HK1 abgelöst.
Es gab sie in zwei Farben: candyrot und candygelb. Dieses Motorrad wurde mit einer manuellen 4-Gang-Schaltung ausgeliefert, die es sehr beliebt machte. Auch diese CT hatte eine hydraulische Vordergabel und den vom Scheinwerfer getrennten Tachometer. Die ST-Serie erhielt diese Vordergabeln erst viel später.  

 

ST90 (1972)

Die ST90, die ebenfalls 1972 auf den Markt kam, war ein eigenes Motorrad. 90 ccm, starke Kupplung und 14-Zoll-Speichenräder. Dieses Modell sieht viel weniger wie eine Dax aus. Dennoch gehört dieses Motorrad zu dieser Serie. Der Auspuff, der Sitz und der Lenker mit Blinkern sind bei anderen Modellen nicht zu finden, was dieses Motorrad sehr einzigartig macht. 

 

CT70 K2

Dieses kam 1973 auf den Markt. Die Unterschenkel waren wieder durch Kunststoff anstelle von Metall geschützt worden. Zwei Farben: Blau und Orange.

 

CT70 K3

Die K3 unterscheidet sich lediglich durch Blinker von der K2.
 

CT70 K4

Bedingt durch die Inflation in Amerika um diese Zeit wurden einige Teile modifiziert.
1975 kam dieser Typ mit einer verchromten Zündkerzenabschirmung heraus und die Candy-Farben waren nicht mehr verfügbar. 


Im Jahr 1976 wurde die Gesetzgebung geändert und die Bezeichnung K durfte nicht mehr verwendet werden. Der Bau wurde bis 1982 fortgesetzt, aber immer mehr Teile wurden durch Kunststoffteile ersetzt. Es war nur 1 Farbe verfügbar, die jedes Jahr wechselte.


 

AB23 

In den 80er Jahren kam schließlich die neue Dax mit folgenden Veränderungen auf den Markt:
  • Die Kontakte wurden durch 12V und eine CDI-Zündung ersetzt.
  • Verchromte Kotflügel
  • Lagerung der Nockenwelle
  • Hydraulische Vordergabel
  • Neue größere Blinker
  • 3 Farben: candyrot, candyblau und silber mit verschiedenen Aufkleberoptionen.
 

AB23 (1991)

  • Schwarzer Motor
  • Schwarzer Auspuff
  • Weiße Räder 
  • Farbige Kotflügel
in Rot, Weiß und Schwarz.


1999 stellte Honda den Bau der Dax ein.
Die Rechte wurden an Jincheng verkauft und so kamen viele Nachbildungen auf den Markt.
Dies führte zu einem großen Angebot von Replikateilen. Es gibt auch viele Tuning-Marken: Takegawa, Kitaco of G-craft.

Wir verwenden Cookies, um Ihr Surferlebnis zu verbessern und unseren Website-Traffic zu analysieren. Durch Klicken auf „Akzeptieren“ stimmen Sie der Verwendung unserer Cookies zu.