• Schnelle Lieferung
  • Gratis Versand ab €75,-
  • GroĂźes Sortiment, ĂĽber 5000 Teile

Honda Monkey Z50A K0 Mini Trail 1968

Honda Monkey Z50A K0 Mini Trail 1968

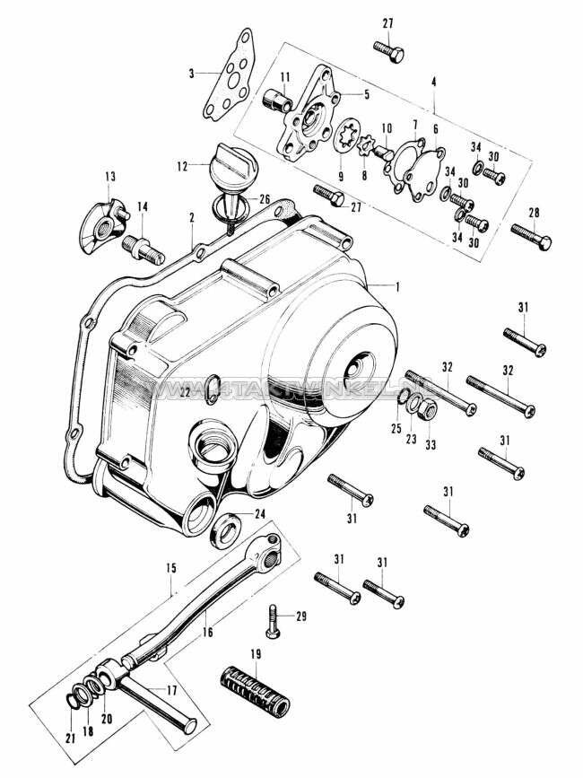
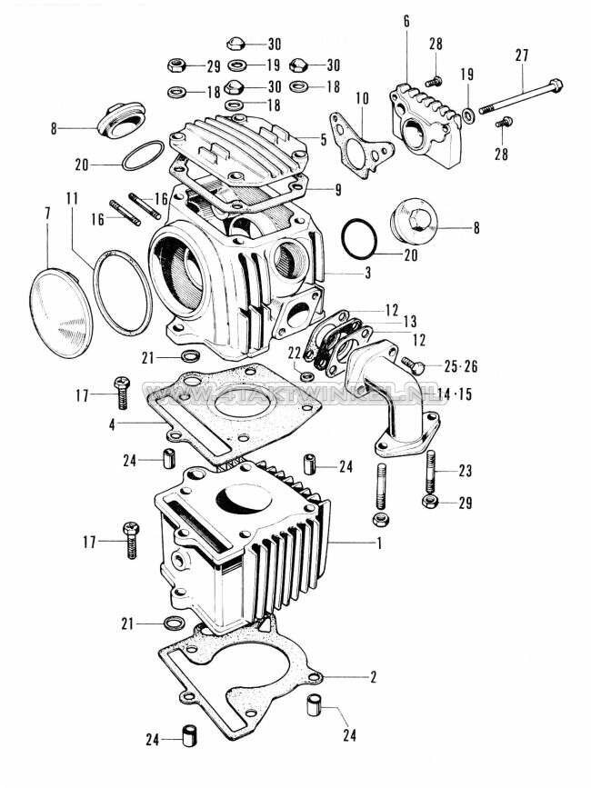
Hier können Sie anhand der Zeichnungen des Honda Z50a einfach nach Teilen suchen.

Diese Honda Monkey Z50a-Version erkennt man an einem Rahmen ohne die reguläre Aufhängung, also ein echtes Z50a-Hardtail! Möchten Sie mehr Einzelheiten erfahren? Dann werfen Sie einen Blick auf das Ende dieser Seite.

Klicken Sie auf die Zeichnung, um die Liste der zugehörigen Teile zu sehen.

Honda Monkey


Foto

Der kleinste in der Honda-Reihe. Was 1961 als Attraktion für Kinder in einem Vergnügungspark begann, entwickelte sich zu einer vollwertigen Reihe von Mopeds, die dem Fahrer, aber auch Passanten am Straßenrand garantiert ein Lächeln entlocken. Eingeführt als CZ100 im Jahr 1964, änderte aber schnell Name und Modell in Z50M.

Foto

Die Z50M lässt sich grob in 3 Modelle unterteilen:
Die europäische Z50M wurde 1967 in relativ großer Zahl nach Europa (Frankreich) exportiert. Dieses Modell erkennt man an dem Klappsattel, den 5-Zoll-Rädern, dem großen 5-Zoll-Scheinwerfer mit gelber Glühbirne und dem "Lunchbox"-Auspuff.
Die japanische Z50M mit den gleichen Spezifikationen, aber mit einem kleinen Scheinwerfer.
Die General-Export für den allgemeinen Export, die mit einem niedrigeren Auspuff nach Großbritannien, Kanada und Australien exportiert wurde.

Foto

1969 führte Honda die "zweite Generation" der Monkey ein; die Z50A mit 8-Zoll-Rädern. Diesmal auch in den USA verfügbar. Das Modell wurde zunächst ohne Licht ausgeliefert und hatte in vielen Ländern wie Amerika kein Nummernschild. Dies wurde 1970 geändert. Wegen des Starrrahmens litt die Z50A sehr unter eingerissenen Rahmen und 1973 beschloss Honda eine dritte Generation einzuführen.

Foto

In Europa und Japan kam sie als Z50J auf den Markt, während Amerika den Namen Z50A Mini-Trail beibehielt. Die Z50J ist mit einer Hinterrad-Federung ausgestattet und blieb bis 1999 in mehreren Varianten in Europa auf dem Markt. Finnland, Deutschland und Frankreich erhielten verschiedene Versionen. Der Z50J wurde auch als Gorilla-Version und als Monkey RT geliefert.

Foto

Im Jahr 2006 hat Honda zur Feier des 40 Jahrestags der Monkey eine Sonderedition herausgebracht. Dies ist die neueste Version mit Vergaser. 
Foto

Im Jahr 2019 brachte Honda die neueste Version der Monkey auf den Markt. Mit 125 ccm ein leichtes Motorrad. 


Geschichte des Monkey
1961 "Monkey Z100" wird für eine Fahrt durch den Vergnügungspark von Tama Tech konzipiert (Nicht zum Verkauf).
1963 Das erste Serienfahrzeug "Monkey CZ100" wird für den Export produziert.
1967 Markteinführung des ersten Inlandsmodells "Monkey Z50M", das auf öffentlichen Straßen fahren kann. Vorder- und Hinterrad 5 Zoll Größe.
1969 Markteinführung des "Monkey Z50A" mit Vorderradfederung und auf 8 Zoll vergrößerten Vorder- und Hinterrädern.
1974 wurde die vollständig renovierte "Monkey Z50J" herausgebracht. Ausgestattet mit Vorder- und Hinterradaufhängung.
1978 mit tropfenförmigen Tank und großem Sitz ausgestattet.
1985 Ausgerüstet mit einem neuen Motor. Erhöht die maximale Leistung und Treibstoffeffizienz, jetzt 4 Gänge mit manueller Kupplung.
1999 Abstimmung aus die inländischen Emissionsvorschriften durch Änderungen der Vergasereinstellungen.
2006 'Monkey 40th Anniversary Special' wurde zum 40. Jahrestag der Monkey-Serie lanciert.
2009 Zum ersten Mal seit 30 Jahren veröffentlicht, moderner Look und verbesserte Abgaswerte.
2019 Eine komplett neue Monkey 125 kam als Leichtmotorrad auf der Basis der Honda MSX auf den Markt.

 


Interessieren Sie sich für einen japanischen Affen? Werfen Sie einen Blick auf unsere vorrätigen japanischen Mopeds oder schauen Sie sich den Import auf Anfrage an! 

Wir verwenden Cookies, um Ihr Surferlebnis zu verbessern und unseren Website-Traffic zu analysieren. Durch Klicken auf „Akzeptieren“ stimmen Sie der Verwendung unserer Cookies zu.