• Schnelle Lieferung
  • Gratis Versand ab €75,-
  • GroĂźes Sortiment, ĂĽber 5000 Teile

Honda SS50M

Honda SS50M
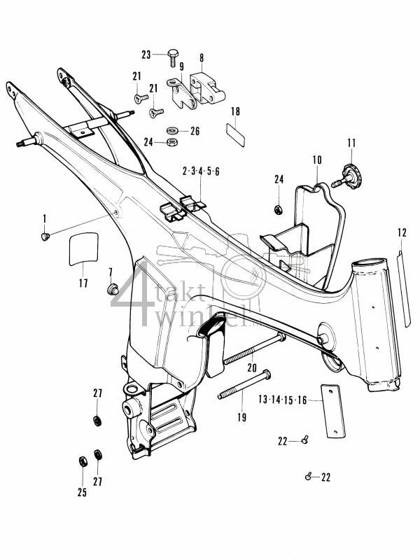
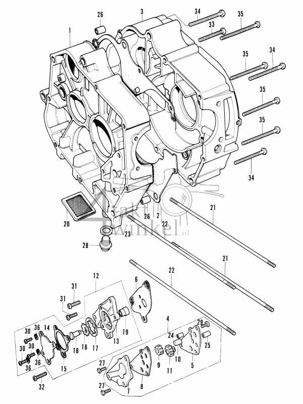
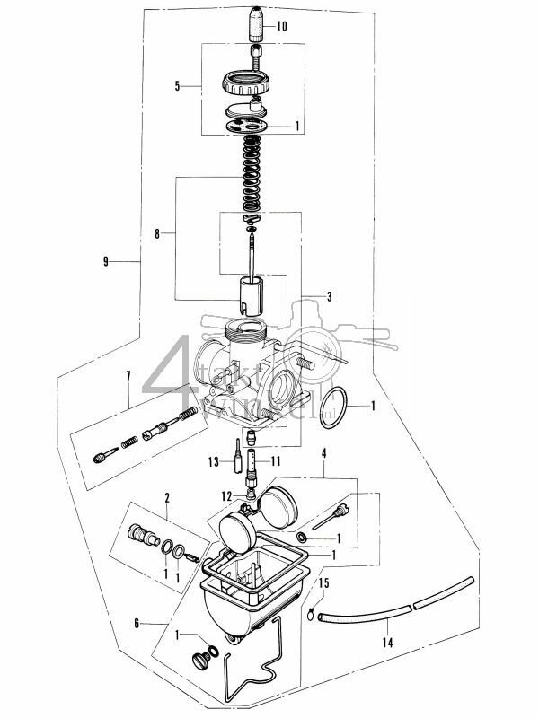
Hier können Sie ganz einfach nach Teilen suchen, indem Sie die Zeichnungen der Honda SS50M verwenden.

Diese SS50M-Version ist an ihrem Tank mit fünf Ecken zu erkennen! Möchten Sie mehr Details wissen? Schauen Sie unten auf dieser Seite nach.

Klicken Sie auf die Zeichnung, um die Liste der zugehörigen Teile zu sehen.

Die Luxusversion des SS50! Die Deluxe-Version des SS50! Genau wie der C50 K1 die Deluxe-Version des C50 ist! Insgesamt wurden sechs Typen veröffentlicht: eine deutsche Version, eine französische Version und eine allgemeine Exportversion. Außerdem gab es drei Versionen für die Philippinen, Südafrika und Malaysia.
 

  • SS50M-D (General export)
    • Framenummer: SS50-176711 ~ SS50-315641
  • SS50M-G (Duitsland) 
    • Framenummer: SS50-194556 ~ SS50-345211
  • SS50M-F (Frankrijk)
    • Framenummer: SS50-257992 ~ SS50-334101
  • SS50M-PH (Filipijnen)
    • Framenummer: SS50-175411 ~ SS50-234330
  • SS50M-M (Maleisië)
    • Framenummer: SS50-212821 ~ SS50-242211
  • SS50M-SA (Zuid-Afrika)
    • Framenummer: SS50-236932 ~ SS50-345131

Diese Teileliste basiert auf dem SS50M-D, also einer allgemeinen Exportversion! Erkennbar an der Rahmennummer, dem charakteristischen Tank mit fünf Ecken und dem separaten Tachometer über dem Scheinwerfergehäuse! Die SS50M-Versionen sind zudem immer mit einem mittelhohen Auspuff ausgestattet.

Wir verwenden Cookies, um Ihr Surferlebnis zu verbessern und unseren Website-Traffic zu analysieren. Durch Klicken auf „Akzeptieren“ stimmen Sie der Verwendung unserer Cookies zu.