• Schnelle Lieferung
  • Gratis Versand ab €75,-
  • GroĂźes Sortiment, ĂĽber 5000 Teile
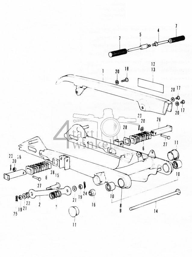
F13 - Rear Fork - Chain Case
Einklappen Ausklappen