• Schnelle Lieferung
  • Gratis Versand ab €75,-
  • GroĂźes Sortiment, ĂĽber 5000 Teile

Mash Seventy Euro 5

Mash Seventy Euro 5
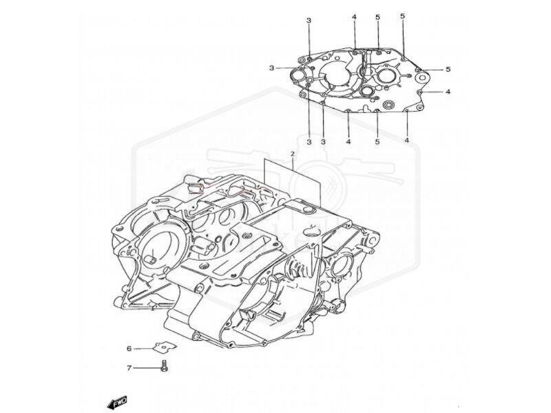
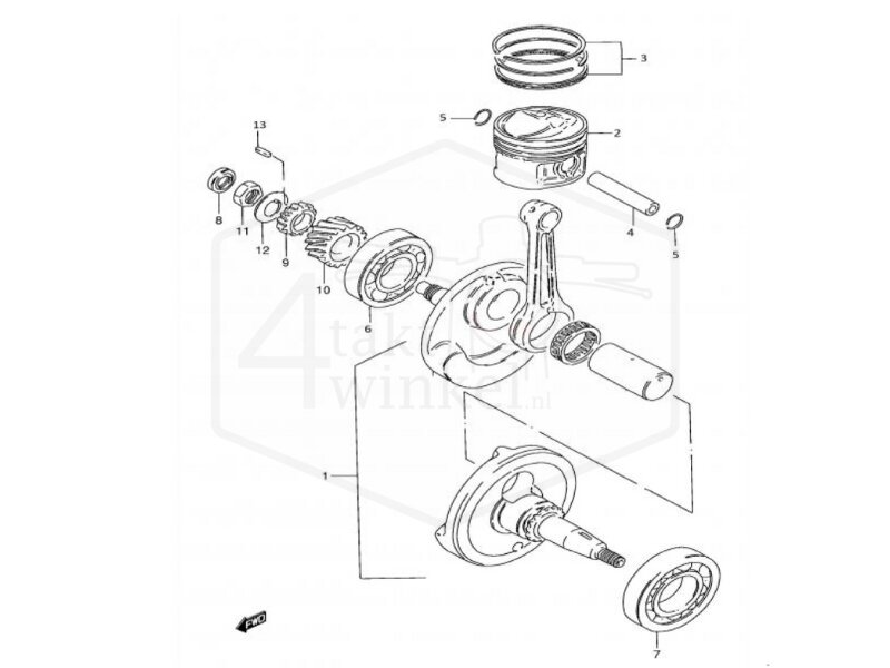
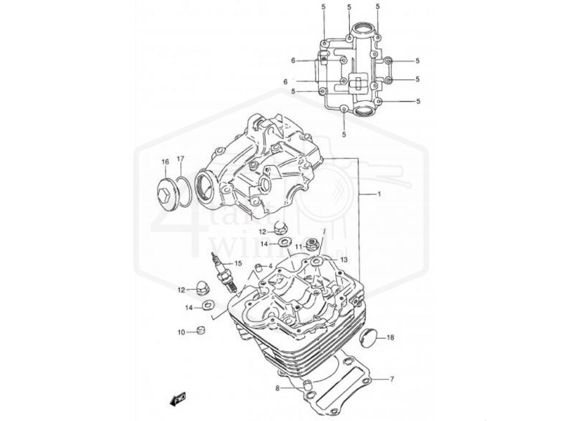
Hier können Sie einfach über die technischen Zeichnungen nach Teilen für die Mash Seventy 125cc Euro 5 suchen.

Die Mash Seventy Euro 5 ist seit 2021 erhältlich und in verschiedenen Farben wie Metallic-Grau, Kupfer, Schwarz, Weiß und Grün lieferbar. Die Mash Seventy ist seit ihrer Einführung ein sehr beliebtes A1-Motorrad wegen ihres hervorragenden Preis-Leistungs-Verhältnisses und ihrer guten Fahreigenschaften
Wir verwenden Cookies, um Ihr Surferlebnis zu verbessern und unseren Website-Traffic zu analysieren. Durch Klicken auf „Akzeptieren“ stimmen Sie der Verwendung unserer Cookies zu.