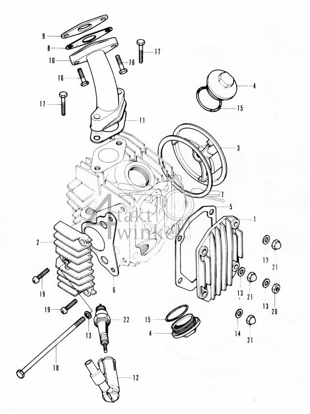
Die Honda SS50ZK1
Die SS50Z K1 ist die erste und vielleicht die schönste SS50 in den Niederlanden. Die Modelle K0 und K2 wurden in den Niederlanden weitgehend übersprungen, sind aber in anderen Ländern vorhanden. Die K1 hat einen grauen Rahmen und candyfarbene Lackierungen auf dem Tank. Der Tank kam ohne Rand und die Rahmennummer besteht aus sechs Ziffern. In den Niederlanden hatte dieses Moped ein weißes hinteres Schutzblech, ein ULO-Rücklicht, ein gelbes Schild und Pedale. Die SS50K1 wurde als Moped auf den Markt gebracht und in den Niederlanden, Belgien, England und Frankreich verkauft. Es gibt jedoch auch Motorradausführungen (schnellere Versionen), die beispielsweise in Japan zu finden sind!
SS50ZK1-B (Belgien)
Diese Version hatte ein verchromtes hinteres Schutzblech mit Stanley-Rücklicht. Ansonsten war dieses Moped identisch mit der niederländischen Version, abgesehen von den niederländischen Pedalen, dem ULO-Rücklicht und dem bekannten gelben Schild. Die Geschwindigkeitsbegrenzung war ebenfalls die gleiche! Rahmennummern: SS50z-205811 und höher
SS50ZK1-H (Niederlande)
Die niederländische SS50K1 mit ULO, weißem hinteren Schutzblech, Pedalen und gelbem Schild. Rahmennummern: SS50z-204801 und höher
SS50ZK1-F (Frankreich)
Dieses Modell hatte ein verchromtes hinteres Schutzblech, aber der Sitz hatte eine Heckverlängerung! Es hatte ebenfalls Pedale, aber kein vorderes Schild. Rahmennummern: SS50z-205311 und höher
SS50ZK1-E (England)
Dieses Modell hatte ein verchromtes hinteres Schutzblech, Pedale und einen Sitz ohne Heckverlängerung. Rahmennummern: SS50z-212561 und höher
